успешной работы
товаров в каталоге
сделок в месяц
постоянных клиентов
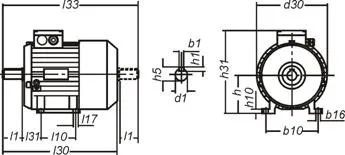
Основные размеры IM 1081; IM 1082 
Типоразмер двигателя по ГОСТ Р 51689
|
Тип |
Установочно - присоединительные |
Габаритные |
||||||||||||||
|
По валу |
По лапам |
|||||||||||||||
|
l1 |
d1 |
h1 |
b1 |
h5 |
l31 |
l10 |
b10 |
l17 |
b16 |
l30 |
l33 |
d30 |
h31 |
h10 |
h |
|
|
АДМ 63 |
30 |
14 |
5 |
5 |
16,0 |
40 |
80 |
100 |
7,0 |
7 |
227,0 |
261 |
135,0 |
154,0 |
7 |
63 |
|
АДМ 71 |
40 |
19 |
6 |
6 |
21,5 |
45 |
90 |
112 |
7,0 |
10 |
273,0 |
316 |
163,0 |
188,0 |
8 |
71 |
|
АДМ 80А |
50 |
22 |
6 |
6 |
24,5 |
50 |
100 |
125 |
10,0 |
12 |
295,0 |
354 |
180,0 |
205,0 |
9 |
80 |
|
АДМ 80В |
50 |
22 |
6 |
6 |
24,5 |
50 |
100 |
125 |
10,0 |
12 |
320,0 |
379 |
180,0 |
205,0 |
9 |
80 |
|
АДМ 90 |
50 |
24 |
7 |
8 |
27,0 |
56 |
125 |
140 |
10,0 |
12 |
340,0 |
393 |
200,0 |
224,0 |
10 |
90 |
|
АДМ 100S |
60 |
28 |
7 |
8 |
31,0 |
63 |
112 |
160 |
12,0 |
16 |
360,0 |
424 |
226,0 |
246,5 |
12 |
100 |
|
АДМ 100L |
60 |
28 |
7 |
8 |
31,0 |
63 |
140 |
160 |
12,0 |
16 |
391,0 |
455 |
226,0 |
246,5 |
12 |
100 |
|
АДМ 100SПР |
60 |
28 |
7 |
8 |
31,0 |
63 |
112 |
160 |
12,0 |
12 |
355,0 |
417 |
223,5 |
265,0 |
11 |
100 |
|
АДМ 100LПР |
60 |
28 |
7 |
8 |
31,0 |
63 |
140 |
160 |
12,0 |
12 |
385,0 |
447 |
223,5 |
265,0 |
11 |
100 |
|
АДМ 112 |
80 |
32 |
8 |
10 |
35,0 |
70 |
140 |
190 |
12,5 |
16 |
443,0 |
516 |
252,0 |
275,0 |
14 |
112 |
|
АДМ 132 М |
80 |
38 |
8 |
10 |
41 |
89 |
178 |
216 |
12,5 |
16 |
483,0 |
568,0 |
252,0 |
295,0 |
16 |
132 |
|
АДМ 132 S |
80 |
38 |
8 |
10 |
41 |
89 |
140 |
216 |
12,5 |
16 |
483,0 |
568,0 |
252,0 |
295,0 |
16 |
132 |
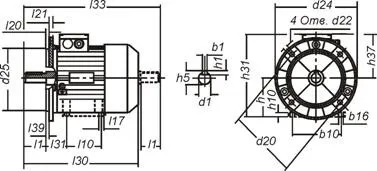
IM 2081; IM 2082; IM 3081; IM 3082;
IM 2181; IM 2182; IM 3681; IM 3682
Типоразмер двигателя по ГОСТ Р 51689 
|
Тип |
IM 2081; IM 2082; IM 3081; IM 3082 Большой фланец |
IM 2181; IM 2182; IM 3681; IM 3682 Малый фланец |
||||||||||||
|
l20 |
l21 |
h37 |
d20 |
d22 |
d24 |
d25 |
l20 |
l21 |
h37 |
d20 |
d22 |
d24 |
d25 |
|
|
АДМ 63 |
3,5 |
10 |
91,0 |
130 |
10 |
160 |
110 |
2,5/3 |
10 |
91,0 |
75/100 |
М5/М6 |
87/109 |
60/80 |
|
АДМ 71 |
3,5 |
10 |
117,0 |
165 |
12 |
200 |
130 |
2,5 |
10 |
117,0 |
85 |
М6 |
105 |
70 |
|
АДМ 80А |
3,5 |
10 |
125,0 |
165 |
12 |
200 |
130 |
3,0 |
10 |
125,0 |
100 |
М6 |
120 |
80 |
|
АДМ 80В |
3,5 |
10 |
125,0 |
165 |
12 |
200 |
130 |
3,0 |
10 |
125,0 |
100 |
М6 |
120 |
80 |
|
АДМ 90 |
4,0 |
14 |
134,0 |
215 |
15 |
250 |
180 |
3,0 |
10 |
134,0 |
115 |
М8 |
140 |
95 |
|
АДМ 100S |
4,0 |
14 |
146,5 |
215 |
15 |
250 |
180 |
3,5 |
14 |
146,5 |
130 |
М8 |
160 |
110 |
|
АДМ 100L |
4,0 |
14 |
146,5 |
215 |
15 |
250 |
180 |
3,5 |
14 |
146,5 |
130 |
М8 |
160 |
110 |
|
АДМ 100SПР |
4,0 |
14 |
165,0 |
215 |
15 |
250 |
180 |
- |
- |
- |
- |
- |
- |
- |
|
АДМ 100LПР |
4,0 |
14 |
165,0 |
215 |
15 |
250 |
180 |
- |
- |
- |
- |
- |
- |
- |
|
АДМ 112 |
4,0 |
14 |
163,0 |
265 |
14 |
300 |
230 |
- |
- |
- |
- |
- |
- |
- |
|
АДМ 132 |
5 |
14 |
163,0 |
300 |
19 |
250 |
250 |
- |
- |
- |
- |
- |
- |
- |
|
Название производителя
|
Уралэлектро |
|
Мощность, кВт
|
11 |
|
Частота вращения, об./мин.
|
3000 |
|
Габарит
|
132 |
|
Серия
|
АДМ |
|
Напряжение, В
|
220, 380 |
|
Вендор
|
Уралэлектро |
|
Модель
|
132M2 |
|
Количество фаз
|
3 |
|
Степень защиты
|
IP 55 |
|
Применение
|
общепромышленный |
|
Страна-производитель
|
Россия |
|
Тип ротора
|
короткозамкнутый |
|
Тип двигателя
|
асинхронный |
|
Гарантия
|
12 месяцев |
Для покупки товара в нашем интернет-магазине выберите понравившийся товар и добавьте его в корзину. Далее перейдите в Корзину и нажмите на «Оформить заказ» или «Быстрый заказ».
Когда оформляете быстрый заказ, напишите ФИО, телефон и e-mail. Вам перезвонит менеджер и уточнит условия заказа. По результатам разговора вам придет подтверждение оформления товара на почту или через СМС. Теперь останется только ждать доставки и радоваться новой покупке.
Оформление заказа в стандартном режиме выглядит следующим образом. Заполняете полностью форму по последовательным этапам: адрес, способ доставки, оплаты, данные о себе. Советуем в комментарии к заказу написать информацию, которая поможет курьеру вас найти. Нажмите кнопку «Оформить заказ».
Оплачивайте покупки удобным способом. В интернет-магазине доступно 3 варианта оплаты:
- Наличные при самовывозе или доставке курьером. Специалист свяжется с вами в день доставки, чтобы уточнить время и заранее подготовить сдачу с любой купюры. Вы подписываете товаросопроводительные документы, вносите денежные средства, получаете товар и чек.
- Безналичный расчет при самовывозе или оформлении в интернет-магазине: карты Visa и MasterCard. Чтобы оплатить покупку, система перенаправит вас на сервер системы ASSIST. Здесь нужно ввести номер карты, срок действия и имя держателя.
- Электронные системы при онлайн-заказе: PayPal, WebMoney и Яндекс.Деньги. Для совершения покупки система перенаправит вас на страницу платежного сервиса. Здесь необходимо заполнить форму по инструкции.
Экономьте время на получении заказа. В интернет-магазине доступно 4 варианта доставки:
- Курьерская доставка в в Пензе работает с 9.00 до 19.00. Когда товар поступит на склад в в Пензе, курьерская служба свяжется для уточнения деталей. Специалист предложит выбрать удобное время доставки и уточнит адрес. Осмотрите упаковку на целостность и соответствие указанной комплектации.
- Самовывоз из магазина в в Пензе. Список торговых точек для выбора появится в корзине. Когда заказ поступит на склад, вам придет уведомление. Для получения заказа обратитесь к сотруднику в кассовой зоне и назовите номер.
- Постамат. Когда заказ поступит на точку в в Пензе, на ваш телефон или e-mail придет уникальный код. Заказ нужно оплатить в терминале постамата. Срок хранения — 3 дня.
- Почтовая доставка через почту России. Когда заказ придет в отделение в в Пензе, на ваш адрес придет извещение о посылке. Перед оплатой вы можете оценить состояние коробки: вес, целостность. Вскрывать коробку самостоятельно вы можете только после оплаты заказа. Один заказ может содержать не больше 10 позиций и его стоимость не должна превышать 100 000 р.

